Inicio > Productos > BENTLY NEVADA > Bently Nevada 31000-30-05-15-31-03-02
Bently Nevada 31000-30-05-15-31-03-02
- T/T
Podría Gustarte
Detalles del producto
| Origin | Estados Unidos |
Descripción del producto
Gerente de Ventas: | Felicia Shi |
Información de contacto: | Correo electrónico: cn@mooreplc,.com Móvil: +86 18030132586 Número de Whatsapp: +86 18030132586 Número de Wechat: +86 18030132586 |
?Te ayudamos a que tus operaciones se recuperen a tiempo! |
Descripciones técnicas de Bently Nevada | |
Número de parte: Fabricante/Marca: Tipo de parte: Condición: Origen: MAQ: | 31000-30-05-15-31-03-02 Bently Nevada Conjuntos de alojamiento de sondeos de proximidad Nuevo de fábrica & En stock EE. UU. 1 PC |
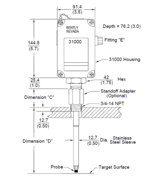
Se recomiendan los conjuntos de alojamiento de sondeos de proximidad 31000/32000 cuando se montan sondeos de proximidad a través de la carcasa de la máquina y se utilizan típicamente para transductores montados radialmente, ya sea para mediciones de vibración o de Keyphasor. El uso de un alojamiento de sondeo de proximidad permite el acceso externo al sondeo de proximidad y a su cable de extensión, lo que permite ajustar el juego o reemplazar el sondeo sin desmontar la máquina. El conjunto de alojamiento de sondeo de proximidad 31000/32000 está hecho de sulfuro de polifenileno (PPS), un termoplástico avanzado de alta resistencia con una excelente resistencia a la corrosión. Otros elementos del conjunto de alojamiento están hechos de acero inoxidable resistente a la corrosión. El alojamiento se puede pedir con sondeos de proximidad 3300 XL instalados y una variedad de accesorios de conductos. El conjunto de alojamiento de sondeo de proximidad 31000/32000 es totalmente compatible con la Norma 670 del Instituto Americano del Petróleo (API) para alojamientos de sondeos de proximidad montados externamente. Cuando se instala en conjunto con un sistema de transductor aprobado y barreras IS adecuadas, el conjunto de alojamiento de sondeo de proximidad 31000/32000 se puede utilizar en aplicaciones de áreas peligrosas intrínsecamente seguras. | |
Perfil de la empresa | Moore Automation Moore Automation es un líder mundial en el suministro de componentes PLC y DCS de marca nueva original de fabricantes de primer nivel, incluyendo Allen Bradley, Siemens, Honeywell, ABB, GE Fanuc, Yokogawa, Schneider, Triconex y muchos más. Con decenas de miles de piezas en stock, atendemos a clientes en más de 50 países, entregando componentes de automatización de alta calidad con envíos rápidos y confiables. Nuestra experiencia: Amplio rango de productos – Módulos PLC y DCS, fuentes de alimentación, módulos de entrada/salida, bastidores, paneles, sensores, cables y bloques terminales. Productos 100% auténticos – Todos los artículos están sellados de fábrica y son nuevos, lo que garantiza un rendimiento y una fiabilidad óptimos. Entrega global rápida – Fuertes alianzas logísticas permiten envíos rápidos y seguros en todo el mundo. Soporte dedicado – Nuestros equipos profesionales de ventas, adquisición, control de calidad y almacén brindan un servicio personalizado y receptivo para cada consulta. En Moore Automation, la calidad, la velocidad y la satisfacción del cliente impulsan nuestro éxito. Ya sea que necesite un solo componente o una adquisición a granel, nos comprometemos a ofrecer precios competitivos, productos superiores y un servicio sin problemas. Contáctenos hoy para todas sus necesidades de automatización industrial ?necesidades! |
Preguntas frecuentes | P: ?Cuál es su política de devolución? R: 1) Artículos defectuosos: Informe cualquier defecto dentro de 3 días de la entrega. 2) Condición de devolución: Los artículos deben devolverse sin usar y en el empaque original para obtener un reembolso o reemplazo. 3) Problemas de calidad: Si un artículo tiene un defecto de fabricación, puede devolverlo dentro de 7 días para obtener un reembolso completo o un reemplazo. |
Marcas y series de ventaja | ABB: Módulo de entrada/salida del controlador de la serie AC800M | Módulo del controlador de la serie AC800F | AC31 Módulo del controlador de la serie | Módulos de la serie DCS 800xA | Módulos de entrada/salida S800 | Módulos de entrada/salida S900 | Módulo Bailey INFI90 | Piezas de repuesto del módulo del robot DSQC | Piezas de repuesto del sistema Advant OCS Allen Bradley: Controlador de la serie ControlLogix 1756 | CompactLogix Controlador de la serie 1769 | Controlador de la serie SLC 500 1747 1746 serie controlador | Controlador de la serie PLC-5 1771 1785 | ProSoft:MVI69/MVI56/MVI94/MVI46/3150| Reliance Electric: Placas de control ICS TRIPLEX: Sistema de confianza Bently Nevada: Chasis | Módulo de entrada/salida | Fuente de alimentación | Puerta de enlace de comunicación | 3500 Sistema de monitoreo | Sistema de monitoreo 3300 | Cable de extensión | Tarjetas de vibración y Posición | Monitores de compresores alternativos General Electric: Serie IC200 | Serie IC693 | Serie IC694 | Serie IC695 | Serie IC697 | Serie IC698 | Serie IC754 | Módulo de relé | Tarjeta de motor de gas Siemens: Moore | SINAMICS | Simadyn | Simatic C1 C2 C3 | Simatic HMI | Simatic S5 S7 | Serie 6DD, Serie 6DP, CPU Honeywell: TDC2000 | TDC3000 | TPS | Experion PKS C200/C200E | Experion PKS C300 | ControlEdge HC900 900G03-0001 900G02-0001 | Experion LS | Experion HS | Controlador de seguridad fallida FSC | Tableros UCN | Tableros FTA |
Piezas en stock ahora | 330130-040-01-05 330130-085-01-05 330102-00-50-10-01-05 330102-00-60-10-01-05 330104-00-06-05-02-00 330708-00-20-50-02-05 330903-00-12-05-02-05 330104-00-05-50-02-05 330101-00-52-10-02-05 330710-000-060-10-02-00 32000-28-05-08-080-03-02 32000-28-05-15-080-03-02 |
Perfil de la empresa
Xiamen Amikon Limited es una empresa de componentes de sistemas de control, que está ubicada en Xiamen, una hermosa ciudad costera. Nos especializamos en proporcionar marcas reconocidas en todo el mundo: Allen Bradley, ABB, Bently Nevada, GE, Honeywell, Emerson, Triconex, Hima, etc. Incluso algunas que ya no se producen. Moore Automation tiene un equipo de profesionales experimentados que trabajan estrechamente con proveedores internacionales para ofrecer a nuestros clientes una amplia selección de productos que satisfagan sus necesidades en cuanto a entrega, precio y marcas. La ventaja de Moore Automation no radica solo en nuestra capacidad para proporcionar productos, sino también en nuestra capacidad para establecer estrechos lazos con los usuarios finales, los integradores de sistemas y ofrecer soluciones profesionales de repuestos para aumentar la competitividad de los clientes en sus propios mercados. Compra integrada, soluciones en línea de componentes en cualquier momento, se pueden realizar pedidos las 24 horas del día, los 7 días de la semana y los 365 días del a?o. Nos enorgullece ser un proveedor líder de piezas y soluciones de automatización industrial. Gran inventario, precios competitivos, entregas rápidas, alcance global y servicio a una amplia gama de industrias con garantía de 12 meses. Contáctenos hoy para saber más sobre cómo podemos satisfacer las necesidades de su negocio.
Contáctenos
- Xiamen Amikon Limited
- Nombre de contactoClaire Chatea ahora
- DirecciónHubin South Road, Siming District, Xiamen City, Xiamen, Fujian
Categorías de productos
Nuevos Productos
-
Bently Nevada 135489-02
-
Siemens A5E36717803
-
Siemens 6AV2124-0QC02-0AX0
-
Siemens 6AV6644-0AC01-2AX1
-
Woodaward 8440-2051
-
ABB YPP110A 3ASD573001A1
-
Bently Nevada 330780-51-CN
-
Bently Nevada 330780-90-CN
-
Bently Nevada 330780-91-00
-
Honeywell FC-CPCHAS-0002
-
Schneider Electric 140SDI95300S
-
SIEMENS 6SN2155-0AA10-1BA1
Encontrar productos similares por categoría
- Eléctricos y Electrónicos > Transmisión de energía y transformadores > Transformer
- Please Enter your Email Address
- Please enter the content for your inquiry.
We will find the most reliable suppliers for you according to your description.
Send Now-
Claire
?Hola! Bienvenido/a a mi tienda. Avísame si tienes alguna pregunta.
Su mensaje ha superado el límite.
- Contactar al proveedor para obtener el precio más bajo
- Solicitud personalizada
- Solicitar muestra
- Solicitar Catálogos Gratuitos
Su mensaje ha superado el límite.
-
Cantidad de compra
-
*Detalles de Sourcing
El contenido de su consulta debe tener entre 10 y 5000 caracteres.
-
*Correo electrónico
Por favor, ingrese su dirección de correo electrónico válida.
-
Móvil



Bently Nevada 31000-27-05-00-035-03-02
Bently Nevada 21000-27-05-40-026-03-02
Bently Nevada 21000-28-05-15-50-03-02
Bently Nevada 21747-045-01
Bently Nevada 139554-01


Bently Nevada 135489-02
Siemens A5E36717803
Siemens 6AV2124-0QC02-0AX0
Siemens 6AV6644-0AC01-2AX1
Woodaward 8440-2051
ABB YPP110A 3ASD573001A1
Bently Nevada 330780-51-CN
Bently Nevada 330780-90-CN
Bently Nevada 330780-91-00
Honeywell FC-CPCHAS-0002
Schneider Electric 140SDI95300S
SIEMENS 6SN2155-0AA10-1BA1
SIEMENS 6AU1400-1PA23-0AA0-Z=J00
GE IS200AEPAH1ABB
SIEMENS 6ES7953-8LF30-0AA0
SIEMENS 6SE7021-8TB61-Z =G93
GE IS210BPPBH2BKD
SIEMENS 6SE7021-3EB51
GE IS200AEPAH1ACB
SIEMENS 6SE7021-0EA61
GE IS210BPPBH2BLD
SIEMENS 6SE7024-7ED61